| Страна производства | США |
|---|---|
| Бренд | Crosby |
| Диаметр каната | От 10 до 32 мм |
| Материал | Легированная сталь |
| Проверка | 100% магнитно-порошковая дефектоскопия на наличие микротрещин |
| Стандарт | EN 13411-6:2003; ASME B30.26 |
| Покрытие | Оцинковка |
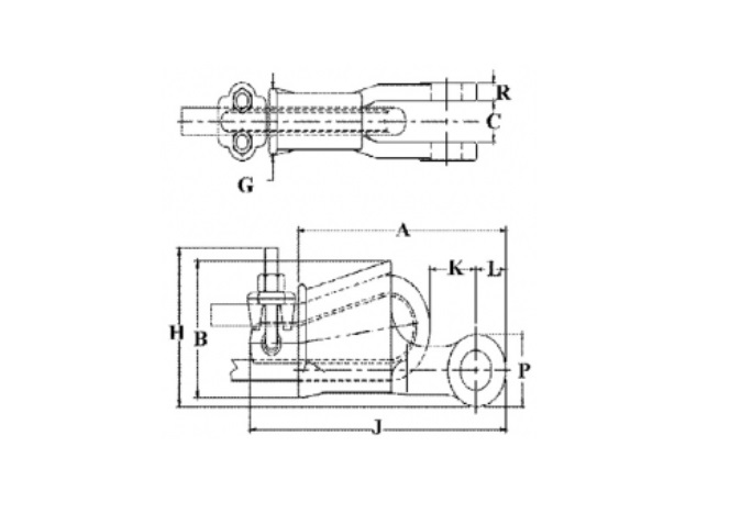
Клиновая муфта Crosby US-422T имеет эффективность, равную 80%, на основе прочности, указанной в каталоге, XXIP каната. На каждом клине отлит номер модели муфты и размер каната, для которого этот клин может использоваться.
Путем простой замены клина каждая муфта может использоваться для различных размеров каната (убедитесь, что используемый клин подходит для размера каната). Клиновые зажимы Crosby US-422 имеют прокладку (кромку), необходимую для надежного крепления концевого элемента.
| Модель |
Диаметр каната [мм] |
Артикул |
Вес [кг] |
Артикул [Клин] |
Вес клина [кг] |
a [мм] |
b [мм] |
c [мм] |
d [мм] |
g [мм] |
h [мм] |
j [мм] |
k [мм] |
l [мм] |
p [мм] |
r [мм] |
s [мм] |
t [мм] |
u [мм] |
v [мм] |
|---|---|---|---|---|---|---|---|---|---|---|---|---|---|---|---|---|---|---|---|---|
|
US4T |
10 |
1044300 |
2.09 |
1047310 |
0.27 |
173 |
90.2 |
25.4 |
25.4 |
41.4 |
71.4 |
214 |
35.1 |
26.9 |
49.3 |
12.7 |
64.3 |
11.2 |
48.5 |
54.4 |
|
US4T |
11 |
1044309 |
2.09 |
1047301 |
0.27 |
173 |
90.2 |
25.4 |
25.4 |
41.4 |
71.4 |
222 |
27.4 |
26.9 |
49.3 |
12.7 |
64.3 |
13.5 |
44.7 |
47.3 |
|
US4T |
13 |
1044313 |
2.09 |
1047329 |
0.27 |
173 |
90.2 |
25.4 |
25.4 |
41.4 |
71.4 |
222 |
25.9 |
26.9 |
49.3 |
12.7 |
64.3 |
13.5 |
44.7 |
47.3 |
|
US5T |
13 |
1044327 |
3.86 |
1047338 |
0.45 |
233 |
107 |
35.8 |
31.8 |
54.1 |
84,1 |
284 |
46.7 |
38.1 |
76.2 |
16.0 |
32.6 |
19.1 |
48.8 |
54.9 |
|
US5T |
14 |
1044336 |
3.86 |
1047347 |
0.45 |
233 |
107 |
35.8 |
31.8 |
54.1 |
84.1 |
291 |
61.0 |
38.1 |
76.2 |
16.0 |
32.6 |
17.5 |
50.8 |
55.4 |
|
US5T |
16 |
1044345 |
3.86 |
1047356 |
0.45 |
233 |
107 |
35.8 |
31.8 |
54.1 |
84.1 |
291 |
59.4 |
38.1 |
76.2 |
16.0 |
32.6 |
17.5 |
50.8 |
55.4 |
|
US6T |
16 |
1044354 |
4.26 |
1047365 |
0.64 |
240 |
119 |
33.1 |
31.8 |
56.9 |
92.2 |
303 |
63.0 |
38.1 |
76.2 |
14.2 |
32.6 |
22.4 |
60.5 |
69.9 |
|
US6T |
19 |
1044363 |
4.26 |
1047374 |
0.64 |
240 |
119 |
33.1 |
31.8 |
56.9 |
92.2 |
300 |
51.6 |
38.1 |
76.2 |
14.2 |
32.6 |
22.4 |
54.1 |
66.3 |
|
US8AT |
16 |
1044372 |
9.00 |
1047383 |
1.90 |
269 |
144 |
46.0 |
41.4 |
60.5 |
140 |
335 |
48.5 |
38.9 |
73.2 |
19.1 |
105 |
17.5 |
32.8 |
88.9 |
|
US8AT |
19 |
1044381 |
9.30 |
1047392 |
2.20 |
269 |
144 |
46.0 |
41.4 |
60.5 |
148 |
344 |
60.5 |
38.9 |
73.2 |
19.1 |
105 |
19.8 |
79.2 |
85.9 |
|
US7 |
22 |
1038580 |
7.48 |
1046674 |
1.18 |
286 |
130 |
33.3 |
31.8 |
68.3 |
- |
- |
65.0 |
41.4 |
82.8 |
16.8 |
32.6 |
26.9 |
53.8 |
65.0 |
|
US7 |
25 |
1038589 |
7.48 |
1046633 |
1.18 |
286 |
130 |
33.3 |
31.8 |
68.3 |
- |
- |
65.0 |
41.4 |
82.3 |
16.8 |
32.6 |
26.9 |
47.8 |
60.5 |
|
US8T |
22 |
1044404 |
14.3 |
1047425 † |
3.40 |
324 |
177 |
46.0 |
41.4 |
77.7 |
183 |
407 |
72.9 |
41.9 |
79.2 |
19.1 |
105 |
22.1 |
98.6 |
106 |
|
US8T |
25 |
1014426 |
14.7 |
1047431 |
3.90 |
324 |
177 |
46.0 |
41.4 |
77.7 |
183 |
417 |
58.9 |
41.9 |
111 |
19.1 |
105 |
26.9 |
95.5 |
103 |
|
US10T |
28 |
1014435 |
25.1 |
1047440 |
5.70 |
408 |
219 |
46.0 |
41.4 |
90.7 |
232 |
501 |
82.8 |
55.6 |
111 |
19.1 |
105 |
27.7 |
121 |
129 |
|
US10Т |
32 |
1044435 |
26.3 |
1047459 |
6.80 |
405 |
219 |
46.0 |
41.4 |
90.7 |
239 |
514 |
71.9 |
55.6 |
111 |
19.1 |
105 |
30.2 |
117 |
125 |
|
US11T |
28 |
1014444 |
27.5 |
1047468 |
5.70 |
415 |
222 |
66.5 |
41.4 |
90.4 |
232 |
507 |
85.6 |
59.4 |
114 |
26.9 |
156 |
27.7 |
121 |
129 |
|
US11T |
32 |
1044453 |
29.4 |
1047477 |
6.80 |
415 |
222 |
66.5 |
63.5 |
90.4 |
239 |
520 |
74.7 |
59.4 |
114 |
26.9 |
156 |
30.2 |
- | - |