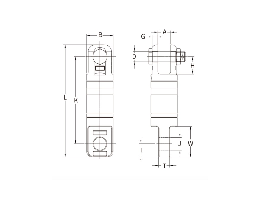
Технические характеристики
| Артикул |
Г/П [т] |
b [мм] |
k [мм] |
l [мм] |
a [мм] |
g [мм] |
d [мм] |
h [мм] |
t [мм] |
j [мм] |
w [мм] |
i [мм] |
Вес [кг] |
|---|---|---|---|---|---|---|---|---|---|---|---|---|---|
| YD089-007 | 0.75 | 34 | 107 | 133 | 15 | 6 | 10 | 22 | 12 | 10.5 | 35 | 13 | 0.5 |
| YD089-015 | 1.5 | 40 | 119 | 159 | 18 | 8 | 13 | 26 | 15 | 13.5 | 46 | 20 | 0.9 |
| YD089-030 | 3 | 53 | 160 | 210 | 23 | 10 | 19 | 32 | 20 | 20 | 57 | 25 | 2.2 |
| YD089-050 | 5 | 67 | 203 | 267 | 32 | 14 | 22 | 37 | 26 | 33 | 69 | 32 | 4.4 |
| YD089-085 | 8.5 | 78 | 250 | 326 | 40 | 14 | 30 | 54 | 32 | 37 | 92 | 38 | 7.4 |
| YD089-100 | 10 | 106 | 310 | 410 | 42 | 25 | 38 | 54 | 42 | 44 | 104 | 50 | 18.0 |
| YD089-150 | 15 | 119 | 320 | 440 | 48 | 25 | 38 | 57 | 49 | 54 | 117 | 60 | 21.2 |
| YD089-250 | 25 | 137 | 405 | 540 | 62 | 30 | 50 | 70 | 60 | 66 | 140 | 70 | 40.0 |
| YD089-350 | 35 | 154 | 415 | 550 | 62 | 33 | 50 | 70 | 60 | 66 | 140 | 70 | 46.7 |
| YD089-600 | 60 | 270 | 670 | 890 | 100 | 75 | 80 | 120 | 75 | 80 | 230 | 110 | 302 |