| Страна производства | Германия |
|---|---|
| Бренд | Pfaff-silberblau |
| Тяговое усилие | От 1,5 до 10 тонн |
| Назначение | Шлюзовой домкрат для открывания/закрывания щитовых затворов под действием сжатия |
| Высота подъёма | От 800 до 1000 мм |
| Усилие сжатия | От 1 до 6 тонн |
| Рукоятка | Безопасная пружинная кривошипная |
| Передача | Цилиндрическая с кованными шестернями |
Шлюзовой домкрат Pfaff-silberblau SCH-W - это домкрат, предназначенный для открывания/закрывания щитовых затворов.
Функциональность обеспечивается цилиндрической передачей с коваными шестернями, точно выточенными кривошипной, промежуточной и реечной передачами. Домкрат оснащен безопасной пружинной кривошипной рукояткой.
Технические характеристики
| Модель |
Г/П на толкание или на тягу [кг] |
Длина рейки [мм] |
Ход рейки [мм] |
Ручное усилие при номинальном грузе [кгс] |
Масса [кг] |
|---|---|---|---|---|---|
| SCH-W 15 | 1500 | 1200 | 800 | 28 | 18 |
| SCH-W 30 | 3000 | 1250 | 800 | 28 | 23 |
| SCH-W 50 | 5000 | 1350 | 900 | 28 | 32 |
| SCH-W 100 | 10000 | 1550 | 1000 | 40 | 56 |
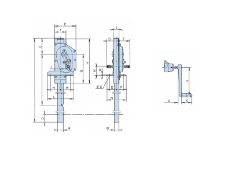
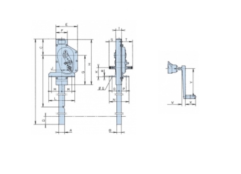
Габаритные размеры SCH-W
| Модель | SCH-W 15 | SCHW-30 | SCHW-50 | SCH-W 100 |
|---|---|---|---|---|
| A, мм | 35 | 45 | 50 | 60 |
| B, мм | 25 | 30 | 40 | 50 |
| C, мм | 140 | 160 | 145 | 165 |
| D, мм | 85 | 60 | 45 | 65 |
| E, мм | 125 | 204 | 189 | 235 |
| F, мм | 78 | 92 | 100 | 112 |
| G, мм | 175 | 230 | 260 | 320 |
| H, мм | 310 | 395 | 400 | 480 |
| I, мм | 33 | 39 | 51 | 59 |
| J, мм | 43 | 53 | 69 | 88 |
| K, мм | 121 | 138 | 81 | 84 |
| L, мм | 230 | 230 | 230 | 290 |
| M, мм | 90 | 90 | 90 | 115 |
| N, мм | 153 | 158 | 173 | 183 |
| O, мм | 52 | 55 | 61 | 66 |
| P, мм | 52 | 55 | 64 | 70 |
| Ø Q, мм | 14 | 14 | 14 | 14 |
| R, мм | 7 | 7 | 7 | 8 |
| S, мм | 76 | 85 | 88 | 100 |
| T, мм | 100 | 108 | 120 | 140 |
| U, мм | 113 | 121 | 132 | 185 |
| V, мм | 86 | 94 | 105 | — |
| W, мм | 136 | 144 | 155 | — |
| X, мм | 130 | 130 | 130 | 250 |
| Y, мм | 250 | 250 | 250 | 300 |